hotline
0519-85112622
现代工业电网中,非线性工业设备应用越来越多,比如:变频器、中频炉、大型照明设备、充电桩等等,使得电网中不但有无功电流的存在,还有大量的谐波电流,传统的无源无功补偿装置,在有大量谐波电流的电网中,谐波电流会流进无源无功补偿装置的电容器,使电容器发热严重,大大缩短电容器的寿命。
同时,谐波电流是一种频率大于50Hz的高频电流,无源无功补偿装置是电抗和电容串联装置,存在谐振点,谐振频率为:如果电网中存在频率为fo的谐波电流,或谐波电流的频率非常接近fo,那么该次谐波电流就会产生谐振放大,威胁整个供电电网的安全。
在一些负载变化激烈的电网中,比如说电网负载主要是电焊机设备,或是轧钢机设备中,电网负荷由空载负荷增加到满载负荷,或是由满载负荷变为空载负荷的时间往往小于100ms,传统的无源无功补偿装置响应速度根本无法满足实际需求,这会造成不断地欠补偿和过补偿。
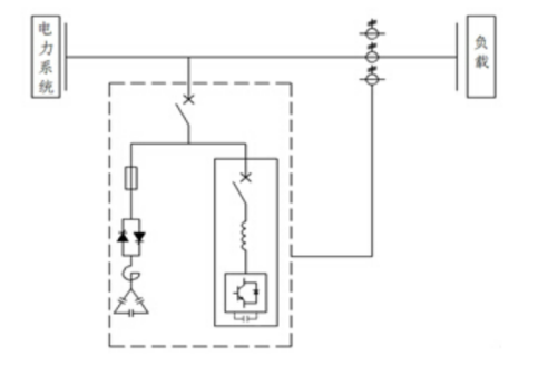
提供一种混合补偿装置,在无源无功补偿安装时,增加有源电力滤波器,既可以滤除谐波电流,又可以补偿无功电流,还满足快速响应的要求,且较之于静止无功发生器(SVG)还有很大的价格优势。为了实现上述目的,设计一种基于无源无功补偿和有源电力滤波器的混合补偿装置,包括无功补偿控制器和STF有源电力滤波器,将两者技术相结合,突破传统无功补偿技术,在降低成本的同时,达到最佳谐波治理与无功补偿效果。
适用在无功需求大,谐波含量已超出国标,配电房安装空间较小,配电电路时常老化等场合。另外,冲击性、波动性负载,比如电弧炉、焊接设备等,在运行中不仅对无功补偿要求高而且会产生大量的高次谐波,造成电压波动、闪变和三相不平衡等电能质量问题,危害电网的安全运行。
技术参数:


